Position Sensing Solutions
Position sensors are widely used in closed-loop mechanical control systems across a wide variety of industries including automotive, industrial automation, process control, and military and aerospace. Analog Devices provides signal chain solutions for most common, high-precision position sensors such as optical encoders, resolvers, and LVDTs and magnetic sensors (AMR, TMR, Hall). Our signal chain solutions ensure that position measurement is done accurately, optimizing overall solution size and power consumption.
Value and Benefits
- Accurate Position Sensing: Enable precise, intelligent mechanical system performance across diverse applications.
- Accelerated Design: Signal chain and reference designs speed development of position sensing systems.
- Sensor Versatility: Support optical encoders, resolvers, LVDTs, and magnetic sensors.
- Optimized Efficiency: Minimize solution size and power consumption.
Solution Resources
Hardware Products
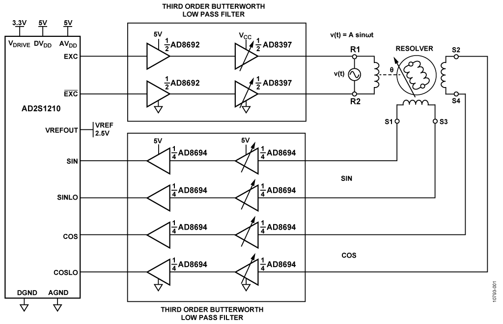
AD2S1210
Variable Resolution, 10-Bit to 16-Bit R/D Converter with Reference Oscillator
AD7357
Differential Input, Dual, Simultaneous Sampling, 4.25 MSPS, 14-Bit, SAR ADC
ADA4500-2
10 MHz, 14.5 nV/√Hz, Rail-to-Rail I/O, Zero Input Crossover Distortion Amplifier
AD598
LVDT Signal Conditioner
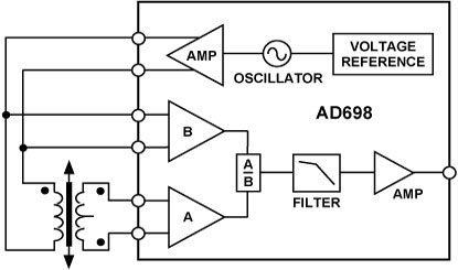
AD698
Universal LVDT Signal Conditioner
ADA4571-2
Dual Integrated AMR Angle Sensor and Signal Conditioner
AD7380
4MSPS Dual Simultaneous Sampling, 16-BIT SAR ADC, Differential Input
AD7381
4MSPS Dual Simultaneous Sampling, 14-BIT SAR ADC, Differential Input
< Prev
Next >
Click on a section in the diagram below to view available parts.
Interactive Signal Chains
Click on the part for more details
Reference Designs
CN0276
High Performance, 10-Bit to 16-Bit Resolver-to-Digital Converter
CN0317
Integrated High Current Driver for 10-Bit to 16-Bit Resolver-to-Digital Converter
CN0371
Low Power LVDT Signal Conditioner with Synchronous Demodulation
CN0288
LVDT Signal Conditioning Circuit
CN0368
Magnetoresistive Angle and Linear Position Measurements
{{modalTitle}}
{{modalDescription}}
{{dropdownTitle}}
- {{defaultSelectedText}} {{#each projectNames}}
- {{name}} {{/each}} {{#if newProjectText}}
-
{{newProjectText}}
{{/if}}
{{newProjectTitle}}
{{projectNameErrorText}}