Lighting Technology Solutions
Building Lighting Technology Solutions
Lighting technology is critical to maximizing human well-being, comfort, and productivity in the built environment. Because it’s everywhere, it also makes the perfect platform for upgrading small and medium commercial and industrial buildings that have gone without full building management systems (BMS) until now.
Analog Devices is advancing the state-of-the-art lighting technology with solutions like low-power microcontrollers to run AI at the edge, LED drivers with flawless, flicker-free channel control, and energy measurement to ensure systems deliver savings years after they’ve been commissioned. Our broad portfolio also includes technologies to power and protect microcontrollers, ensure simple and secure connectivity with single-pair Ethernet, and provide critical battery management functions for life-safety emergency lighting technology.
Value and Benefits
- Reduces Power Usage: Embedded AI enables efficient, responsive lighting control at the edge.
- Minimizes Latency: Low-cost edge solutions eliminate lag for real-time performance.
- Simplifies Connectivity: 10BASE-T1L supports BMS integration over existing fieldbus wiring.
- Accelerates Design Cycles: Standards-based approach reduces development time.
Featured Products
ADD5203
8-String, White LED Driver with SMBus and PWM Input for LCD Backlight Applications
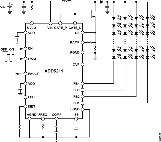
ADD5211
Four-String, White LED Driver for LCD Backlight Applications
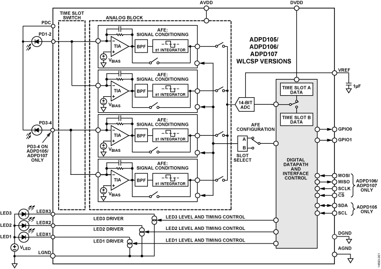
ADPD105
Photometric Front End with I2C
ADXL372
Micropower, 3-Axis, ±200 g Digital Output, MEMS
ADXL375
3-Axis, ±200 g Digital MEMS Accelerometer
Interactive Signal Chains
Click on the part for more details
Reference Designs
Files and Downloads
Technical Articles
MS-2437: Convert a Buck Regulator into a Smart LED Driver
697 kB
{{modalTitle}}
{{modalDescription}}
{{dropdownTitle}}
- {{defaultSelectedText}} {{#each projectNames}}
- {{name}} {{/each}} {{#if newProjectText}}
-
{{newProjectText}}
{{/if}}
{{newProjectTitle}}
{{projectNameErrorText}}