Automated Test Equipment Solutions
Automated Test Equipment Solutions
With over 25 years of dedicated market experience, Analog Devices has consistently addressed critical production test challenges with its expansive process portfolio. For production IC test demands, our offerings span from leading-edge integrated pin electronics and device power supplies, to precision Parametric Measuring Units, to advanced RF transceivers. Our offerings ensure that comprehensive solutions have basic load boards and cutting-edge 5G test prerequisites. This dedication to excellence is further underlined by our innovative Power by Linear suite, as well as our wide-ranging collection of precision technology solutions, high-speed converters, and RF products.
Value and Benefits
We offer a complete portfolio of solutions that support all high-volume semiconductor production test segments, including Digital System on Chip (SoC), memory wafer and package test, RF and mmWave test, high-voltage device test, and system level test. Along with industry-leading technical and applications support teams, our broad portfolio enables complete test solutions with the highest signal fidelity performance, efficiency, and channel density.
Enables complete test solutions
Utilizes high-signal fidelity performance
Supports all semiconductor production test segments
Featured Products
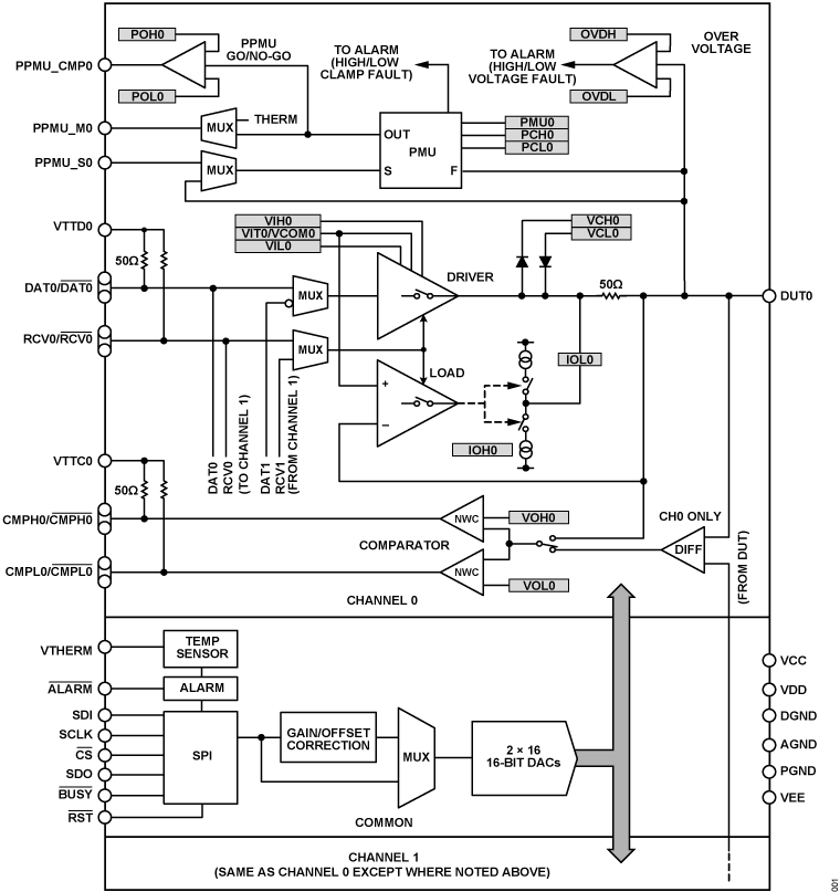
ADATE318
600 MHz Dual Integrated DCL with PPMU, VHH Drive Capability, Level Setting DACs, and On-Chip Calibration Engine
ADATE320
1.25 GHz Dual Integrated DCL with PPMU, Level Setting DACs, and On-Chip Calibration Registers
AD5560
1.2A Programmable Device Power Supply with Integrated 16-bit Level Setting DACs
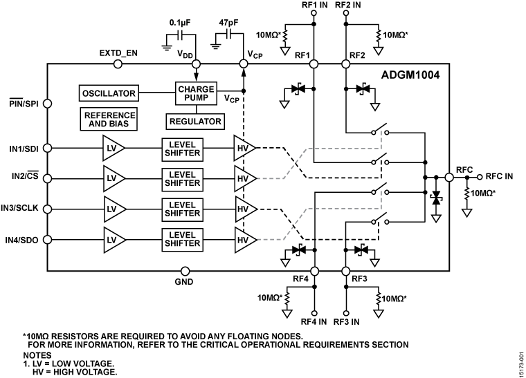
ADGM1004
0 Hz/DC to 13 GHz, 2.5 kV HBM ESD, SP4T, MEMS Switch with Integrated Driver
ADGM1304
0 Hz/dc to 14 GHz, Single-Pole, Four-Throw MEMS Switch with Integrated Driver
Reference Designs
Key Resources
Rarely Asked Questions
eBook, Solutions Bulletin & Brochure
Design Tools
LTpowerCAD® and LTpowerPlanner®
Training and Support
{{modalTitle}}
{{modalDescription}}
{{dropdownTitle}}
- {{defaultSelectedText}} {{#each projectNames}}
- {{name}} {{/each}} {{#if newProjectText}}
-
{{newProjectText}}
{{/if}}
{{newProjectTitle}}
{{projectNameErrorText}}