Universal Input/Output Module Solutions
Flexibility, and being able to pivot manufacturing facilities, is becoming increasingly important with the growing demand for customized products. Software configurable I/O (SWIO) technology provides unprecedented levels of flexibility for any industrial I/O function to be accessed on any pin, allowing channels to be configured at any time. This means customization can happen right at the time of installation, resulting in faster time to market, fewer design resource requirements, and universal products that can be implemented broadly across projects and customers. With deep domain expertise in the process control industrial I/O domain, Analog Devices pioneered the SWIO concept and has worked with our industry partners to provide a highly flexible and valuable technology to meet the cost of ownership demands seen in today’s industrial market.
Value and Benefits
As industrial Ethernet-to-the edge rolls out, SWIO-enabled field junction boxes can provide the ideal transition point between 10 Mb single pair Ethernet and legacy 4 mA to 20 mA/0 V to 5 V standards. Additionally, by implementing SWIO solutions, customers can focus on a few flexible designs, getting economy of scale and benefitting from reduced logistics overhead. Design time is reduced and with reduced installation complexity, CapEx is also reduced.
Bridges the transition to 10BASE-T1L
Minimizes logistics overhead
Reduces design time and CapEx
Featured Products
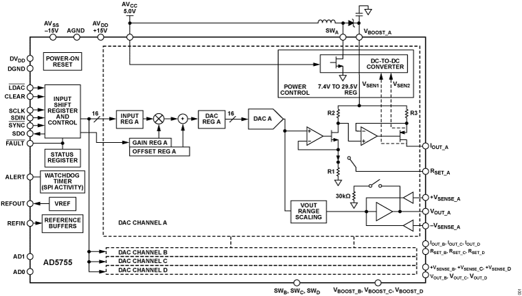
Quad Channel, 16-Bit, Serial Input, 4 mA to 20 mA and Voltage Output DAC, Dynamic Power Control, HART Connectivity
Robust, Quad Channel Isolator W/ Input Disable & 1 Reverse Channel
Evaluation Boards
Training and Support
Trainings and Tutorials
Files and Downloads
AN-1521: Fully Isolated Input Module Based on the AD7793 24-Bit, Σ-Δ ADC and the ADuM5401 Digital Isolator
143.82 K
Software Configurable Systems
895.29 K
ADuM4146 Isolated SiC Gate Brochure
1.31 M
Building the Future of Industrial Robotics
2.35 M
eBook: Industrial Automation Solutions
5.06 M
{{modalTitle}}
{{modalDescription}}
{{dropdownTitle}}
- {{defaultSelectedText}} {{#each projectNames}}
- {{name}} {{/each}} {{#if newProjectText}}
-
{{newProjectText}}
{{/if}}
{{newProjectTitle}}
{{projectNameErrorText}}