banner background image

Temperature Sensing Solutions

Analog Devices’ broad portfolio of temperature sensing solutions includes a wealth of signal chains, integrated sensor-to-bits solutions, and discrete technologies to jump-start your design.

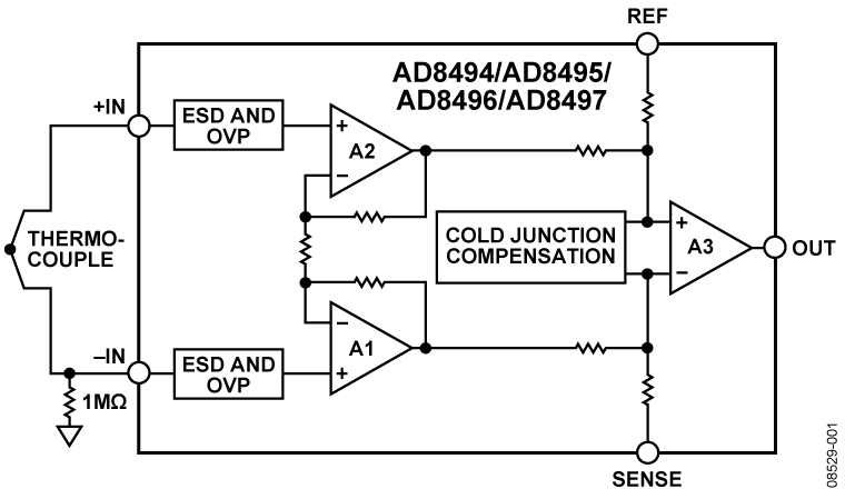
Our thermocouples are small, rugged, and inexpensive. Our cost-effective thermistors have a limited temperature range of –40°C to 150°C, are highly non-linear, and require significant signal conditioning. Accurate, stable, and having a wide temperature range, our resistant temperature detectors (RTDs) guarantee the highest accuracy. Linear, stable, and easy to use, our silicon-based temperature measurement sensors are ideal for measuring the narrower temperature range of –55°C to +150°C. Finally, our complete, integrated sensor and analog front end products provide designers a high-accuracy, reliable building block to accelerate their system design.

 

Value and Benefits

Interchangeable and compact, our thermocouples can measure extreme temperatures of –270°C to +1800°C, have fast response times, and do not self-heat. Ideal for low- and high-temperature applications, our thermistors are not only durable, and long-lasting, they are also accurate to approximately ±0.2°C within their specified temperature range. With an operating temperature range of –200°C to +850°C, our RTDs are highly accurate, reliable, and stable. Easy to use and precise, our digital temperature sensors and silicon sensors are a complete plug and play solution that provides digital output with excellent accuracy and no signal conditioning required.

thumbsupImg Benefits

Ideal for RTD, thermocouple, thermistor, digital, and silicon-based temperature sensors

thumbsupImg Benefits

Offers signal chain and reference design solutions to accelerate your temperature measurement design

thumbsupImg Benefits

Solutions that combine the sensor and AFE, accelerating system design

carousel title icon

Solution Resources

Signal Chains

(5)

Click on a section in the diagram below to view available parts.

Hardware Products

Show More

Arrow image

Reference Designs

buy sample product image
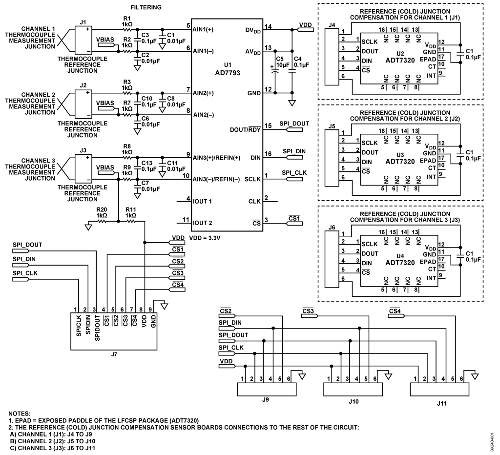
CN0384
Completely Integrated Thermocouple Measurement System using a Low Power, Precision, 24-Bit, Sigma-Delta ADC
buy sample product image
CN0383
Completely Integrated 2-Wire, 3-Wire, or 4-Wire RTD Measurement System Using a Low Power, Precision, 24-Bit Σ-Δ ADC

Show More

Arrow image

Files and Downloads

Show More

Arrow image

ADI Support

Let us know what you need help with, and we will share the best answers from the ADI knowledge database.

button icon

Get Help