Communications Test Equipment
Communications Test Equipment Solutions
Communications testers are widely used for RF and conformance test of UE devices and base-stations. They support various existing and emerging wireless standards such as 5G, 6G, Wi-Fi, etc. Analog Devices offers a variety of solutions to address the complete signal chain for communications test equipment. Our solutions include high-speed data converters, integrated transceivers, RF amplifiers, mixers, tunable filters, switches, attenuators and PLL and VCOs that collectively deliver superior performance, enabling the highest performance communications test solutions.
Value and Benefits
Analog Devices offers a broad range of RF and high-speed solutions to meet the emerging requirements for communications test equipment.
Offers the industry's broadest RF and high-speed portfolio that covers diverse high-speed signal chain requirements
Enables the highest performance across frequency range, bandwidth, and dynamic range to get ahead of emerging wireless standards
Provides the industry’s leading technical and applications support to reduce time to market
Featured Products
AD9361
RF Agile Transceiver
AD9371
Integrated, Dual RF Transceiver with Observation Path
AD9164
16-Bit, 12 GSPS, RF DAC and Direct Digital Synthesizer
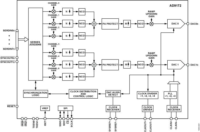
AD9172
Dual, 16-Bit, 12.6 GSPS RF DAC with Channelizers
AD9208
14-Bit, 3GSPS, JESD204B, Dual Analog-to-Digital Converter
ADL5380
400 MHz TO 6000 MHz Quadrature Demodulator
ADL5375
400 MHz TO 6 GHz Broadband Quadrature Modulator
ADF5356
Microwave Wideband Synthesizer with Integrated VCO
< Prev
Next >
Click on a section in the diagram below to view available parts.
Interactive Signal Chains
Click on the part for more details
Reference Designs
CN0134
Broadband Low Error Vector Magnitude (EVM) Direct Conversion Transmitter
CN0174
Low Noise, 12 GHz, Microwave Fractional-N Phase-Locked Loop (PLL) Using an Active Loop Filter and RF Prescaler
CN0205
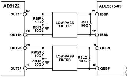
Interfacing the ADL5375 I/Q Modulator to the AD9122 Dual Channel, 1.2 GSPS High Speed DAC
CN0232
Minimizing Spurious Outputs Using a Synthesizer with an Integrated VCO and an External PLL Circuit
CN0285
Broadband Low Error Vector Magnitude (EVM) Direct Conversion Transmitter
CN0369
Translation Phase Locked Loop Synthesizer with Low Phase Noise
CN0375
Broadband Low Distortion Transmitter for 3G, 4G, and LTE Communication System
Evaluation Boards
AD-FMCADC2-EBZ
AD9625 Evaluation and Synchronization
AD-FMCOMMS2-EBZ
AD9361 Software Defined Radio Board (2.4GHz Optimized)
AD-FMCOMMS3-EBZ
AD9361 Wideband Software Defined Radio Board
AD-FMCOMMS4-EBZ
AD9364 Wideband Software Defined Radio Board
AD-FMCOMMS5-EBZ
Dual AD9361 Evaluation Board
Key Resources
Wiki Pages
Design Tools
ADIsimRF
ADIsimPLL
LTpowerCAD® and LTpowerPlanner®
ADIsimFrequency Planner Tool
VisualAnalogâ„¢
Training & Support
Engineering Support Community
Files and Downloads
UG1541: ADuCM410 Development System Getting Started Tutorial User Guide
1.11 M
UG1848: Evaluating the ADL5206 1 GHz DGA with 30 dB Range and 1 dB Step Size
615.19 K
MT-230: Noise Considerations in High Speed Converter Signal Chains
255 kB
MT-075: Differential Drivers for High Speed ADCs Overview
183 kB
Fundamentals of Phase Locked Loops (PLLs)
407 kB
Fundamentals of Direct Digital Synthesis (DDS)
173 kB
MT-013: Evaluating High Speed DAC Performance
175 kB
MT-003: Understand SINAD, ENOB, SNR, THD, THD + N, and SFDR so You Don't Get Lost in the Noise Floor
92 kB
MT-019: DAC Interface Fundamentals
345 kB
AN-501: Aperture Uncertainty and ADC System Performance
227.66 K
AN-756: Sampled Systems and the Effects of Clock Phase Noise and Jitter
291.7 K
AN-928: Understanding High Speed DAC Testing and Evaluation
4445 kB
Power You Can Trust: Achieving Efficient Battery-Powered Solutions
11.85 M
Selected Reference Designs: Test and Measurement Solutions
5.88 M
{{modalTitle}}
{{modalDescription}}
{{dropdownTitle}}
- {{defaultSelectedText}} {{#each projectNames}}
- {{name}} {{/each}} {{#if newProjectText}}
-
{{newProjectText}}
{{/if}}
{{newProjectTitle}}
{{projectNameErrorText}}