banner background image

3D Time of Flight (ToF)

3D Time of Flight (ToF) technology refers to non-scanning LIDAR (light detection and ranging) implementations that use high-power optical pulses in durations of nanoseconds to measure the depth information of objects within a scene of interest.

Indirect Time of Flight (iToF) is a ToF architecture that uses amplitude modulated light to illuminate a scene of interest, with the reflected light then captured by high frequency demodulating pixels to measure the received light’s phase. The phase information for each pixel enables the distance to be calculated based on the modulation frequency and the speed of light, creating a high resolution depth map.

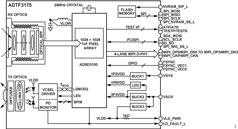
Analog Devices offers trusted, industry-leading products and solutions that enable and enhance the performance of industrial vision systems and cameras, including high-resolution iToF imagers (1 MP and VGA), depth processing with millimeter precision, and power management, along with development platforms and reference software/firmware to assist in the implementation of ToF solutions. We provide a complete depth sensing solution by combining the award-winning ADTF3175 ToF module and the ADSD3500 depth image signal processor.

By leveraging a global partner network in developing industrial vision subsystems, cameras, and design services, we help customers shorten time to market and time to revenue.

 

Value and Benefits

Leveraging best-in-class 3D imaging technology licensed from Microsoft Corp., we’ve built a depth sensing portfolio based around CMOS iToF imagers. We are applying system-level technical expertise to deliver leading solutions that offer the highest depth accuracy possible, operate over farther distances, and perform robustly across environments with minimal power consumption.

thumbsupImg Benefits

Depth accuracy of +/- 5mm over depth range of 0.4m to 4m, from -20C to +65C

thumbsupImg Benefits

Modulation schemes to enable highest precision depth map for a given optical power budget

thumbsupImg Benefits

Fully calibrated subsystem reduces product development cycle and time to revenue

carousel title icon

Solution Resources

Hardware Products

Show More

Arrow image

ADI Support

Let us know what you need help with, and we will share the best answers from the ADI knowledge database.

button icon

Get Help