Field Instruments
Field Instrument Systems
Analog Devices’ field instruments combine sensors, actuators, intelligent processing, and robust communications for the harshest of environments. These intelligent edge devices play a critical role in providing accurate and reliable data to and from the process control system, converting real-world signals such as temperature, level, flow, and pressure into actionable data and insights to improve product quality, increase productivity, lower maintenance costs, reduce energy consumption, and avoid unplanned downtime. Backed by decades of experience, we are a trusted partner and leading provider of the key enabling technologies, including low-power sensing, precision measurement, digital processing, protection, power, security, and communication solutions to address the needs of Industry 4.0.
Value and Benefits
Offering the industry’s highest performance, lowest power, and most complete sensor interface and measurement solutions, we enable system designers to develop platform solutions that accelerate time to market while reducing BOM management and cost of support. With a broad range of highly integrated, ultra-low power, secure Arm® based microcontrollers, our products allow for the flexible design of field instruments, including Bluetooth® connectivity in process devices. With our comprehensive portfolio of communication solutions, we support both legacy analog 4-20mA and high-bandwidth, seamless Ethernet connectivity to field devices over single-pair Ethernet (SPE) cables. To address IEC62443 and the latest cyber-security regulations, we supply ultralow-power industrial microcontrollers with enhanced security features and the lowest power secure authenticator solutions. Our high-performance power management solutions meet stringent field instrument power requirements while our micropower digital isolator, power supply monitors, and microprocessor supervisory products are ideal for power and space-constrained designs. As a pioneer in ultralow-power AI acceleration, we provide a series of award-winning microcontrollers with CNN acceleration capability to enable AI at the edge in power-constrained field instrument designs.
Offers an easy turnkey means to ensure hardware root of trust and end-to-end security
Supports AI integration in power- and space-constrained designs
Enables high-bandwidth, seamless Ethernet connectivity to field devices over single-pair Ethernet (SPE) cables
Learn how ADI technologies including Ethernet-APL, smart ultra low power data converters, and highly secure microcontrollers are helping to drive the digital transformation of the process industry.
Solution Overview
Empower the Intelligent Edge with Next-Generation Field Instruments
Discover technology building blocks for intelligent field instrument solutions.
Webinar
Technologies Enabling the Future of Intelligent Field Devices
Learn how key enabling technologies including Ethernet-APL, smart ultra-low power data converters and highly secure microcontrollers with high efficiency AI acceleration and wireless connectivity are advancing the development of next generation field instruments.
Technical Blog Series
10BASE-T1L Makes Powering Intelligent Field Instruments Painless
Explore the blog series and connect with the experts.
Featured Products
ADuCM362
Low Power, Precision Analog Microcontroller with Dual Sigma-Delta ADCs, ARM Cortex-M3
AD5700
Low Power HART Modem
ADUM1441
Micropower Quad-Channel Digital Isolator, Default High (3/1 Channel Directionality)
AD7124-4
4-Channel, Low Noise, Low Power, 24-Bit, Sigma-Delta ADC with PGA and Reference
AD7124-8
8-Channel, Low Noise, Low Power, 24-Bit, Sigma-Delta ADC with PGA and Reference
ADP2360
50 mA, 60 V, High Efficiency Buck Regulator
AD7091R
1 MSPS, Ultralow Power, 12-Bit ADC in 10-Lead LFCSP and MSOP
ADT7420
±0.25°C Accurate, 16-Bit Digital I2C Temperature Sensor
< Prev
Next >
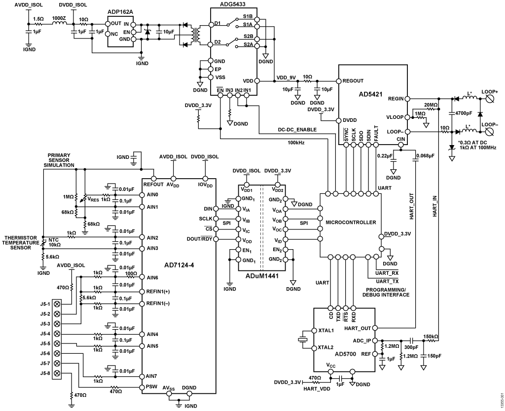
Click on a section in the diagram below to view available parts.
Interactive Signal Chains
Click on the part for more details
Reference Designs
CN0267
Complete 4 mA to 20 mA Loop Powered Field Instrument with HART Interface
CN0321
Fully Isolated, Single Channel Voltage and 4 mA to 20 mA Output with HART
CN0328
Completely Isolated 4-Channel Multiplexed HART Analog Output Circuit
CN0382
Isolated 4 mA to 20 mA/HART Temperature and Pressure Industrial Transmitter Using a Low Power, Precision, 24-Bit, Sigma-Delta ADC
Files and Downloads
Solutions Bulletin & Brochure
Empower the Intelligent Edge with Next-Generation Field Instruments
4.3 M
eBook: Industrial Automation Solutions
5.06 M
Industrial Ultrasonic Flowmeter Solutions
204.33 K
{{modalTitle}}
{{modalDescription}}
{{dropdownTitle}}
- {{defaultSelectedText}} {{#each projectNames}}
- {{name}} {{/each}} {{#if newProjectText}}
-
{{newProjectText}}
{{/if}}
{{newProjectTitle}}
{{projectNameErrorText}}