Uninterruptable Power Supplies
Uninterruptable Power Supply Solutions
Industrial UPSs provide backup power to maximize uptime in smart manufacturing during utility power failure or in heavy utility load conditions. They also provide protection against power-related issues such as voltage fluctuations, surges, frequency instability, harmonic distortion, and power factor correction.
Analog Devices’ solutions enable highly efficient, intelligent industrial UPSs with high power density.
Value and Benefits
Industrial UPSs provide a stable supply of power in the absence of the mains power supply to ensure reduced downtime. Depending on the architecture, UPS can provide protection against power-related issues such as voltage fluctuations, surges, frequency instability, harmonic distortion, and low power factor. Our solutions for industrial UPSs enable high efficiency and compact UPS whilst maximizing the battery health. These power supplies also provide safe and reliable power for various industrial assets and sensors across the factory floor.
Enables highly efficient, space-conscious design while maximizing battery life
Provides reliable power for a wide spectrum of industrial assets and sensors
Offers protection across voltage fluctuations, frequency instability, harmonic distortion, and low power factor
Featured Products
LT8638S
42V, 10A/12A Peak Synchronous Step-Down Silent Switcher 2
ADUM4146
11 A High Voltage Isolated Bipolar Gate Driver with Fault Detection, Miller Clamp
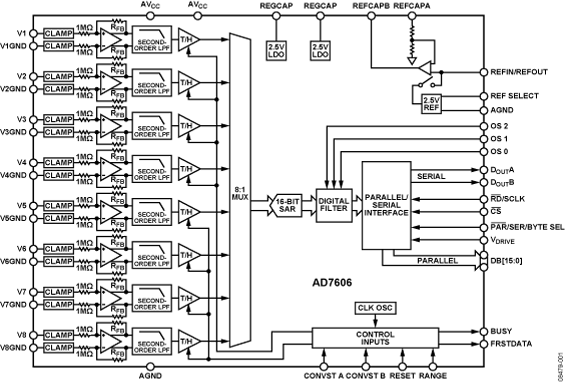
AD7606B
8-Channel DAS with 16-Bit, 800 kSPS Bipolar Input, Simultaneous Sampling ADC
FIDO5200
Real Time Ethernet switch supporting, PROFINET, EtherNet/IP, Modbus/TCP, POWERLINK, SERCOS III and EtherCAT
LT8638-2
42V, 10A/12A Peak Synchronous Step-Down Silent Switcher
AD7606
8-Channel DAS with 16-Bit, Bipolar Input, Simultaneous Sampling ADC
ADuM7701
16-Bit, Isolated Sigma-Delta Modulator
AD7380
4MSPS Dual Simultaneous Sampling, 16-BIT SAR ADC, Differential Input
ADA4570
Integrated AMR Angle Sensor and Signal Conditioner with Differential Outputs
ADA4571
Integrated AMR Angle Sensor and Signal Conditioner
ADuM4221
Isolated, Half Bridge Gate Driver with Adjustable Dead Time, Dual Input, 4 A Output
ADuM4135
Single/Dual-Supply High-Voltage Isolated IGBT Gate Driver with Miller Clamp
ADuM6020
Low Emission, 5 kV Isolated DC-to-DC Converters
ADIN1200
Robust, Industrial, Low Power, 10 Mbps and 100 Mbps Ethernet PHY
ADuM3150
3.75 kV, 6-Channel, SPIsolator Digital Isolator for SPI with Delay Clock
ADUM3190
2.5kV rms Isolated Error Amplifier
ADUM6421A
Quad-Channel Isolators with Integrated DC-to-DC Converter (3:1 directionality)
Interactive Signal Chains
Click on the part for more details
Evaluation Boards
EVAL-ADUM4146WHB1Z
Evaluating the ADuM4146 11 A High Voltage Isolated Bipolar Gate Driver in Half Bridge Configuration
Developer Tools and Resources
Design Tools and Simulations
Power Management Tools
Simulation Models
ADI provides simulation models for RF, Linear, Converters, Power Management and other products for circuit and board level simulation needs.
{{modalTitle}}
{{modalDescription}}
{{dropdownTitle}}
- {{defaultSelectedText}} {{#each projectNames}}
- {{name}} {{/each}} {{#if newProjectText}}
-
{{newProjectText}}
{{/if}}
{{newProjectTitle}}
{{projectNameErrorText}}