banner background image

Energy Storage Systems

Our ESS solutions enable reliably achievable applications such as peak shaving, self-consumption optimization, and backup power in the event of outages.

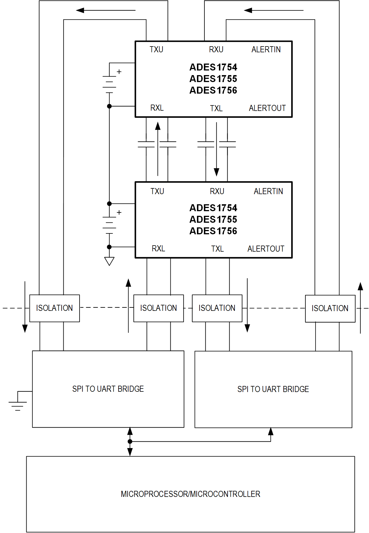
For battery ESS, our technology-leading Battery Management Systems (BMS) solutions deliver high-accuracy voltage monitoring, current monitoring, and cell balancing utilizing precision multi-cell stack monitors along with either isolated SPI or wireless communication implementations.

In high-voltage, high-power conversion systems, we offer a broad range of digital isolators, isolated transceivers, isolated A/D converters, and isolated gate drivers capable of driving both silicon and Wide Band Gap FETs (Silicon Carbide and GaN) at maximum speed and frequency, thus achieving exceptional efficiency targets.

Value and Benefits

  • Multi-Chemistry Support: Enables accurate measurement across diverse battery types and pack configurations.
  • Maximized Energy Yield: High-efficiency power conversion boosts storage capacity and system performance.
  • Extended System Life: Optimized for long-term reliability and operational longevity.
  • Built-In Safety Features: Supports functional safety for critical energy storage applications.

Featured Products

Show More

Arrow image

Signal Chains

(4)

Click on a section in the diagram below to view available parts.

Evaluation Boards

buy sample product image
DC2049A
LT3999EMSE Isolated Demo Board | Dual Output Push-Pull Transformer Driver, 10V ≤ VIN ≤ 15.5V; VOUT = ±12V @ 0.2A

Show More

Arrow image
carousel title icon
Training and Support

Trainings and Tutorials

Title
Subtitle
Learn More
Add to myAnalog

Add article to the Resources section of myAnalog, to an existing project or to a new project.

Create New Project

Search Our Knowledge Base

Find answers faster — ask, search, and learn from experts, peers, blogs, forums, and FAQs all in one place.

button icon

Get Help