Power Circuits for Instrumentation
Power Circuit Solutions for Instrumentation
High-performance instruments have some of the most stringent noise requirements to avoid interference with their sensitive front ends, which in turn places high demands on their power circuits. Budget constraints and the trend towards higher integration impose further restrictions on size, EMI, efficiency, and thermal management.
Value and Benefits
To meet today's demands, power products by Analog Devices offer innovative features including, slew-rate controlled switching power regulators, positive and negative rail generation, ultralow-noise LDOs with high-frequency ripple rejection, low-noise isolated power supply controllers, and system-in-package power modules.
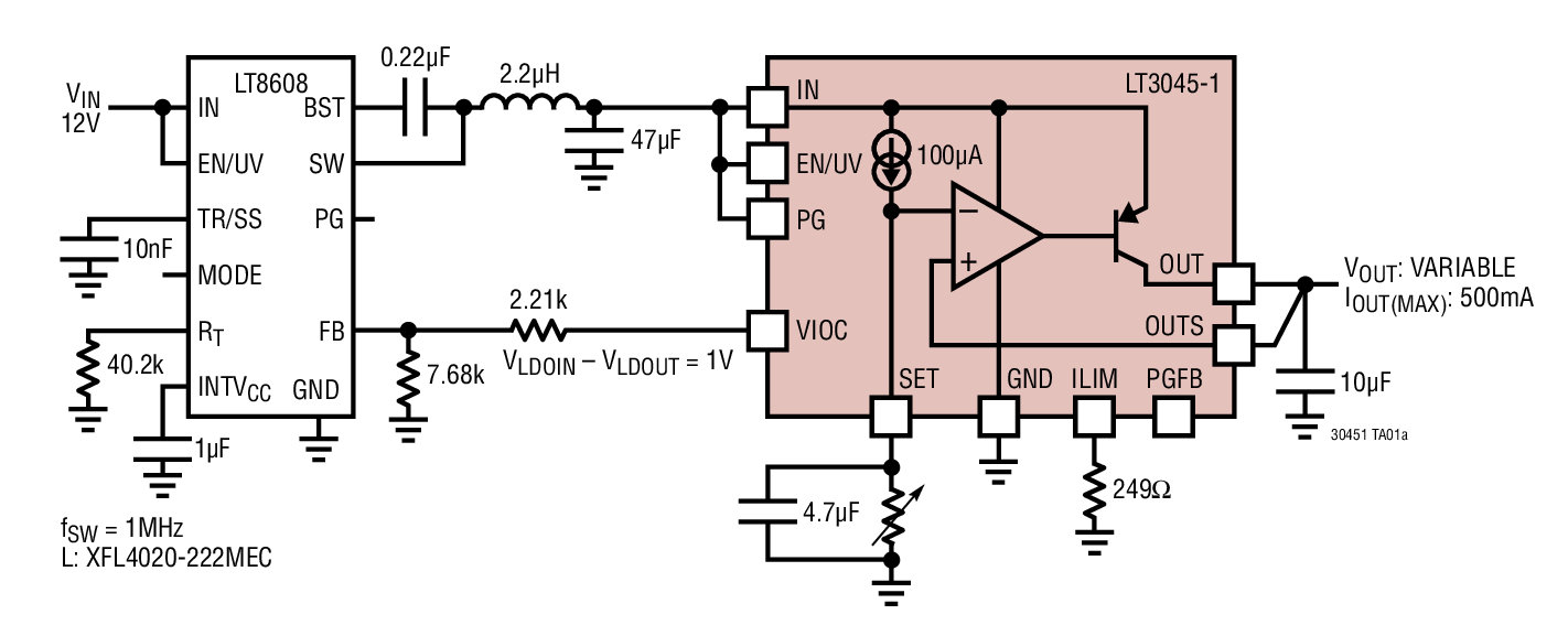
Our broad array of products enables various power circuit topologies and system partitions to optimize for performance and cost at any power level.
Optimizes for performance and cost at any power level
Addresses varying power tree requirements
Accelerates time to market due to the excellent design support and tools
Featured Products
ADP5071
2 A/1.2 A DC-to-DC Switching Regulator with Independent Positive and Negative Outputs
LT8609S
42V, 2A/3A Peak Synchronous Step-Down Regulator with 2.5μA Quiescent Current
LT3045-1
20V, 500mA, Ultralow Noise, Ultrahigh PSRR Linear Regulator with VIOC Control
LT3094
−20V, 500mA, Ultralow Noise, Ultrahigh PSRR Negative Linear Regulator
LT3032 Series
Dual 150mA Positive/Negative Low Noise Low Dropout Linear Regulator
LT3999
Low Noise, 1A, 1MHz Push-Pull DC/DC Driver with Duty Cycle Control
ADUM6000
Isolated, 5 kV, DC/DC Converter
< Prev
Next >
Click on a section in the diagram below to view available parts.
Interactive Signal Chains
Click on the part for more details
Reference Designs
CN0196
H-Bridge Driver Circuit Using Isolated Half-Bridge Drivers
CN0342
Flyback Power Supply Using a High Stability Isolated Error Amplifier
CN0385
Isolated, Multichannel Data Acquisition System with PGIA for Single-Ended and Differential Industrial Level Signals
CN0407
Ultrahigh Sensitivity Femtoampere Measurement Platform
Key Resources
Design Tools
LTpowerCAD® and LTpowerPlanner®
Files and Downloads
Application Note
AN-202: An IC Amplifier User’s Guide to Decoupling, Grounding, and Making Things Go Right for a Change
76.97 K
Book & eBook
Power You Can Trust: Achieving Efficient Battery-Powered Solutions
11.85 M
Understanding Silent Switcher Technology: High Efficiency, Low EMI eBook
7.75 M
Circuit Note
Selected Reference Designs: Test and Measurement Solutions
5.88 M
Solutions Bulletin & Brochure
Balanced Power Solutions Brochure
461.79 K
Industrial Battery Chargers Overview
2.09 M
Silent Switcher Technology
1.74 M
Technical Articles
ADuM3220 4A Gate Driver for Synchronous DC/DC Conversion
346 kB
Inside iCoupler® Technology: Driving an H Bridge with ADuM3220 Isolated Gate Drivers
140 kB
Tutorial
MT-101: Decoupling Techniques
954 kB
MT-093: Thermal Design Basics
249 kB
User Guide
SCP-LT8362-S-EVALZ - Demo Board
2.17 M
SCP-LT8410-EVALZ - Demo Manual
1.54 M
{{modalTitle}}
{{modalDescription}}
{{dropdownTitle}}
- {{defaultSelectedText}} {{#each projectNames}}
- {{name}} {{/each}} {{#if newProjectText}}
-
{{newProjectText}}
{{/if}}
{{newProjectTitle}}
{{projectNameErrorText}}