Telematics, eCall, and Networking
Telematics, eCall, and Networking Solutions
The automotive telematics control unit (TCU) provides advanced, connected in-vehicle services, such as networking and automotive audio bus (A2B®) for eCall, while also enabling vehicles to meet new safety and security regulations. In automotive electronic systems, there are many applications that require continuous power, even if there is an interruption in their primary power source and the car is parked (engine not running). Examples include remote keyless entry, security, and personal infotainment systems. For emergency and security reasons, systems such as navigation, GPS location, and eCall functionality must remain turned on, even when the car is not moving. These automotive TCU functions ensure that an external operator can activate control if necessary.
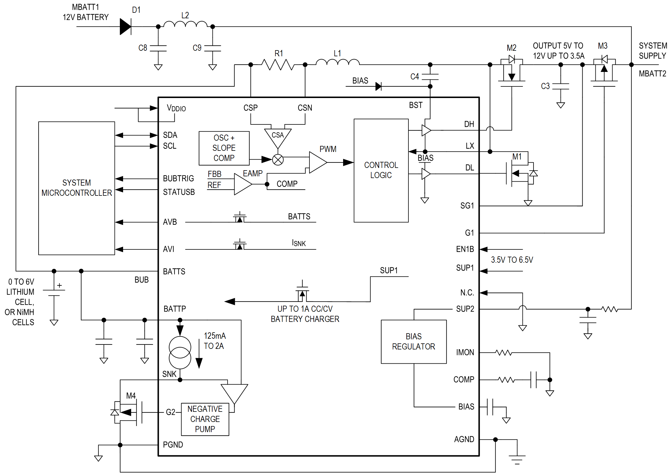
Analog Devices’ solutions support the design of high-performance TCU modules for backup battery charging, DC-to-DC power supply, diagnostics, and input-to-output isolation for enhanced fault tolerance.
Value and Benefits
Our A2B technology is increasingly being adopted by OEMs as a cost-effective and low latency solution for a range of telematics, overhead console, and eCall applications. A2B’s bus power capability eliminates the need for dedicated power/ground wires, which reduces overall system deployment costs. Additionally, an A2B bus can easily be reconfigured to enable an eCall ECU to become the A2B bus main node in a collision or any other event where the vehicle’s head unit loses power.
Offers enhanced fault tolerance
Features low latency
Reduces system deployment costs
Interactive Signal Chains
Click on the part for more details
Training and Support
Trainings and Tutorials
{{modalTitle}}
{{modalDescription}}
{{dropdownTitle}}
- {{defaultSelectedText}} {{#each projectNames}}
- {{name}} {{/each}} {{#if newProjectText}}
-
{{newProjectText}}
{{/if}}
{{newProjectTitle}}
{{projectNameErrorText}}